欢迎来到!深圳戴泰科电子技术有限公司官网官网!
技术热线:0755-23426380
  1. 您的位置:
  2. 网站首页
  3. >
  4. 应用案例
  5. >
  6. 小线束的生产线体布局

小线束的生产线体布局

发布时间:01/20 —— 2022 1760

前言


全球经济环境迅速变化,市场环境发生了深刻的变革。因此企业为了生存,赢得市场,车间规划不仅要制造出一流的产品,还需要考虑产品的制造成本、设备的使用效率,合理选择加工设备,优化设备布局,高效组织并协调各生产要素,来降低产品的制造成本、提高生产效率的基础。下面是作者来跟各位分享小线束的生产线体布局。


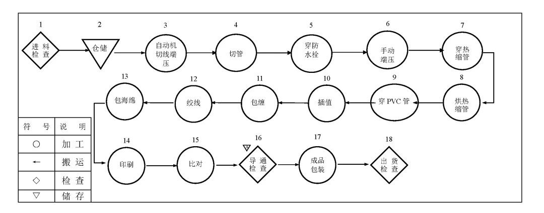
针对小线束生产,我们采用产品式布置,尽可能将生产相关机器、工装及检测仪器依工序顺序安排,形成一字流水线的生产方式,适用于小线束生产。在生产单位内完成对同一产品的所有加工,封闭运作。可在流水线两边设置线边仓,作为生产线的通用性、常用性物料存放地点。优点:加工路线短,节约运输资源;产品等待时间减少,生产运作周期短。缺点是:不利于工艺管理,生产灵活性差,疲劳强度大。


 

总体来讲,先前作者已经分享过根据线束新厂房规划的经验,这次的分享主题着重在生产线体上:


需要重点关注的是,如何让人、机、料这些资源流动起来?精益生产的五大原则之一就是流动,让价值产生流动,这才是消除一切浪费的核心。人、机、料这些资源没有流动起来,一定是哪里出了问题?根据统计企业用于增值活动的时间仅占整个活动时间的很小部分,其大部分时间是进行非增值的活动。增值时间约占企业生产和经营活动的5%,不增值活动约占95%。所以线束的生产线体设计显得格外重要!



生产线边设计的方法


1减少生产线操作员工动作的浪费和等待的浪费。物料放置在操作员工伸手所及的范围内(避免弯腰、转身);物料(电线、连接器、PVC管等)裸件上线,不需要在进行二次拆包作业,可直接拿取零件进行使用;物料数量、不良品、可疑品、空容器等有合适容器的放置,避免物料短缺或者不良造成的等待浪费;

2物料料架设计,不可太重和太大,主要方便物流人员搬运;线边料架高度合适(约150cm),物料有一个固定的位置及标示,形成目视化管理。物流人员根据物料指示来完成物料补充和配送到线边员工伸手可及处,不需要员工走动到其他地方拿取;


3在保证物料供应的前提下,通过线边设计,尽量减少线边物料的种类和数量,减少用错、混用风险;在保证生产线不缺件的情况下,线边物料的数量最少,要求水蜘蛛的小批量、多频次的规律性运输补充(依据实际情况调整)


4生产人员和物流人员工作区域不交叉,不相互干涉;线边容器以及线边货架的前端和后端进行目视化标示,便于生产员工和物流人员的使用;


5尽可能将生产相关机器、工装及检测仪器依工序顺序安排。


如:在检测工序上的导通模块上将明确的标识放入护套/裸端对应线的颜色,做到无遮挡、好辨识。


6建立详尽的作业指导书和标准作业程序


通过编制和校对,集合众人的智慧和经验,提高生产的准确率和可行性。有效的减少在线的换型时间,提高设备的使用率。 同时,对于如何操作,如何检验也做出规定。



配套的辅助设施

辅助设施,就相当于线体的后勤支持,考虑生产的便利和能耗最低,包括照明设计,水电气匹配,管路布置,设备运维保障,运输工具选型等。有了这些的合理配置和布局,将实现全力保障产品生产的正常运行和高效运行。

由于产品生产的多样化,生产线体的设计需要符合人机工程,使现场人员操作标准.舒适,更加合理的使用空间,来满足实际生产的需求。




总结

车间线体布局规划的内容,不仅要结合企业的实际需求,比如产品、工艺、人员、未来愿景等,另一方面也要布局规划和设计人员具备很强的精益意识和丰富的精益经验。工艺作业顺序、设备摆放、工装器具配置、半成品流转、可疑品及不良品处理、检测工序安排等,都是非常关键的因素,因此考虑如何减少人、机、料资源的浪费,增加我们的价值比就显得非常重要。



产品推荐 Product recommendation

了解更多