欢迎来到!深圳戴泰科电子技术有限公司官网官网!
技术热线:0755-23426380
  1. 您的位置:
  2. 网站首页
  3. >
  4. SEO软文
  5. >
  6. 线束产品审核作业程序

线束产品审核作业程序

发布时间:06/15 —— 2021 906
1.目的

为了更好的提高产品质量,对线上及在库库存的部品按照检验流程来检验待发运的产品是否与技术文件、图纸、规范、标准、法规以及其他额定“质量特性”的要求相符,保证最大限度地满足客户的要求。

2.范围
适用于公司内生产的所有部品的线束产品质量审核。

3.参考文件
IATF 16949 2016 9.2.2.4产品审核

组织应采用顾客特定要求的方法,在生产及交付的适当阶段对产品进行审核,以验证对所 规定要求的符合性。如果顾客未指定,组织应确定要采用的审核方法。

4.职责
4.1品保部质检人员承担产品审核员工作;品保部主管承担产品审核组长工作
4.2品保部主管对公司所有在生产项目的部品进行年度产品审核计划的编排;
4.3品保部质检人员负责对审核的产品进行审核相关工作的安排及实施。
4.4制造部负责提供产品以及审核相关事项配合。
4.5相关部门参加产品质量缺陷分析,并落实纠正和预防措施。

图片




5.程序流程
5.1审核员的资格与审核计划
5.1.1 审核员的任命:由品保部经理指定熟悉产品性能和技术规范并且掌握检验技术的人员担任审核员。
5.1.2 审核计划:每半年由品保部根据产品的质量状况、生产特点、生产周期、发运情况及顾客要求等诸因素编制审核计划。计划内容以顾客满意度为依据满足顾客的质量要求、技术规范、图纸规定等要求,当顾客对其产品的质量要求有变化时,需修改该产品的计划。
5.1.3 产品审核设施及工具包括检验用的测量器具、检具及实验室性能测试设备。
5.1.4 审核用产品为已检验合格后的终检处成品或仓库中待发运的产品,审核员在检验后把样品正确地返回。
5.1.5 产品审核种类:配套产品


5.2 产品审核抽样方法:
5.2.1 产品审核抽样的原则:从连续批量最近生产的终检处或仓库随机抽样。
5.2.2 产品审核的频次:顾客无要求时,产品审核频次每6个月一次,顾客有要求时,按顾客要求执行。
5.2.3.产品审核所需产品应在合格成品存放区随机抽取;
5.2.4.抽样数量应根据产品的复杂程度和以往的经验,一般抽3~5件;
5.2.5抽取的产品应是近期生产的产品


5.3产品审核实施
5.3.1依据顾客意见进行审核,应包括产品的尺寸、性能、安全、外观、包装等方面。
5.3.2 包装检验:
是否与该部品的检查基准书中规定的包装要求相符;
检查是否按顾客要求进行标识;
检查包装箱内是否有产品破损、变形,包装不符导致产品损伤等;
5.3.3 外观检查:
准备:给抽取的样品进行编号,1#、2#、3#、4#、5#
检验:产品外观、颜色、表面状态是否与检验表单、客户标准相符合,有争议时可参见
客户承认的标准样品。
5.3.4 尺寸检查:
产品检验的尺寸是否与图纸中的尺寸符合;
具体尺寸要求参见检验表单规定的尺寸:
5.3.5 性能检验:
5.3.5.1验证原材料的化学或物理性能是否满足要求,可依照供应商提供的质量材质证明或检验报告。
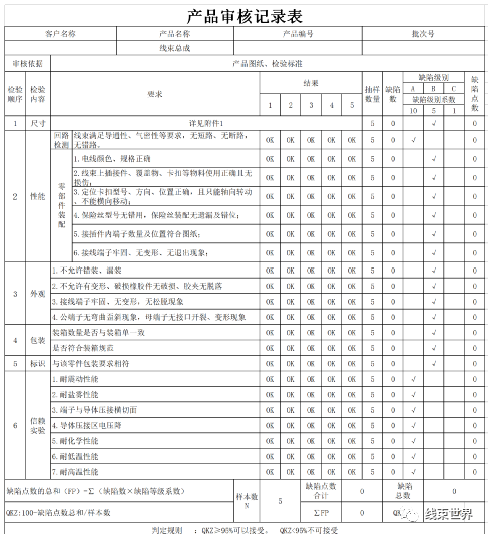
5.3.6审核员把产品检查结果填入《产品审核记录表》及依据《产品审核计划》完
成《产品审核评价报告》。审核组长对数据进行分析并确定产品质量水平。产品质量水平的确定是由该批的平均缺陷分值数确定。

图片

5.4. 产品审核质量特性QKZ计算方法。
5.4.1 QKZ=100-所有项目缺陷分数总和/抽样数总和
5.4.2 缺陷分类方法:当顾客无要求时按下列分类;当顾客有分类方法时,按顾客要求分类。
A 类缺陷:即关键缺陷:肯定引起顾客强烈不满,致使产品不能被接受的缺陷,规定分数为10分;
B 类缺陷:即主要缺陷,能影响到顾客的装车质量,使用性能,不能完全符合标准规定的要求,规定分数为5分;
C 类缺陷:即次要缺陷,不影响装车质量,(如外观表面质量),规定分数为1分

5.4.3 缺陷分数的计算
P(所有项目缺陷分数总和)=∑(A类缺陷总分+B类缺陷总分+C类缺陷次数)
A 类缺陷总分=所发生的A 类缺陷次数Χ10
B 类缺陷总分=所发生的B类缺陷次数Χ5
C 类缺陷总分=所发生的C类缺陷次数Χ1

5.4.4 产品审核的分工及使用工具
产品审核员按“产品审核计划”进行审核,审核时主要审核全尺寸、包装、标签进行检查,包装、标签通过目测进行,全尺寸检查通过产品放在检验架上或检具上进行。性能测量可委托实验室人员进行,但需在现场观察。


5.4.5 产品审核评价报告
产品审核员将“产品审核记录表”上的内容按照检验顺序号进行汇总,整理到“产品审核评价报告”上。

5.5 审核处理方法
5.5.1 如在“产品审核评价表”上出现“A”类缺陷时,可对该产品复查一次,确认无误后,对该产品采取纠正措施,对审核当天的该批产品停止发运,同时报告品保部主管复核,品保部主管须采取下一步行动计划。

5.5.2 当产品审核出现“B”类缺陷时,须通知检验人员对该批产品进行附加5%抽样,如果重新发现相同缺陷时,对该产品实际100%检验;如果5%的抽样未发现相同缺陷时,该批产品可放行。但抽样不少于10片。

5.5.3 当产品审核后出现“A”“B”类缺陷时,产品审核员需填“产品审核报告”上需采取措施的内容,并分发到涉及到此项目的相关部门,相关责任部门必须采取纠正措施、处理方法。同时相关部门也要采取相应的预防措施。
5.5.4 当产品审核后,出现“C”类缺陷时,产品审核员也要责成相关部门进行改顾客的要求,并填写“产品审核不符合报告与整改”。

5.6 产品缺陷分级规定:

等级
类别
缺陷系数
A
 关键缺陷(不允许出现的)10
B
主要缺陷(必须经返工、返修后才能出公司)5
C
次要缺陷1


评价等级A、B、C划分细则如下:
图片

图片


在规划产品审核方案前,应对产品进行风险分析,使用矩阵来评估不同的准则,从而确定产品审核优先等级。确定规定的产品特性和要求,如BOM的符合性、产品尺寸、材料包装、标签以及规定产品条件下等(包装、等交付、使用后)客户期望。

通过产品审核,避免在制程与交付过程中不合格品的非预期使用,了解产品的质量状况及趋势,及时采取纠正和预防措施,满足客户对产品的质量要求


产品推荐 Product recommendation

了解更多